Soluções Integradas
Mais economia para sua empresa
- Observando a necessidade de um direcionamento em processos mais racionais, buscamos nos aperfeiçoar e aprender a metodologia "Lean Manufacturing" utilizando algumas ferramentas como 5S - Poka-Yoke, Setup Rápido e Kanban.
PRODUTOS EM DESTAQUE
Produtos INOVE e de Clientes parceiros.

Soluções para energia solar
Grande ECONOMIA e fonte de energia limpa.
Apresentamos o Sistema de Geração de Energia Solar Fotovoltaica (Gerador Solar), que permite que qualquer pessoa produza energia elétrica em sua casa, comércio ou indústria, instalando painéis solares no telhado ou quintal.
A eletricidade é produzida nos painéis fotovoltaicos, que por sua vez vai para o inversor - responsável por deixá-las com as características da rede elétrica.
Ao ser instalada em edificações, a eletricidade solar pode ser utilizada em eletrodomésticos e lâmpadas, trazendo enormes benefícios.

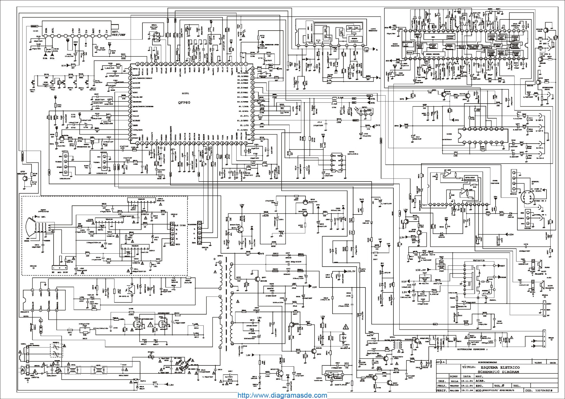
MULTICODE
Codificação de sistemas eletrônicos automotivos
A MULTICODE é uma
máquina versátil capaz de trabalhar com a codificação de sistemas
eletrônicos automotivos diversos, como: imobilizador, central de injeção,
airbag, painel, etc, realizando reset (reciclagem), telecarregamento, casamento
de sistemas, descodificação, leitura de senhas de centrais e imobilizadores
(via porta de Diagnóstico ou diretamente do sistema eletrônico), entre outras
funções. A MULTICODE abrange uma vasta linha de veículos e sistemas, permitindo
ser atualizada remotamente. Possui cartão SD card de até 8GB, conectividade via
USB, BlueTooth e rede CAN.
Fazemos tudo com atenção aos detalhes.
Desde o projeto até a montagem final.
CERTIFICAÇÔES
Normas IPC 610 A
Identificação de Componentes SMD/THT.
Retrabalho, Reparo de Placas Eletrônicas.
SMT Process and THT Process
Wave Soldering System
TRABALHAMOS COM SUAS IDEIAS
A partir da sua necessidade, identificamos a melhor solução custo x beneficio. Fazemos a elaboração do projeto, a administração de materiais e a montagem final.
MONTAGEM SUPERVISIONADA
Os montadores atuam sob a orientação de um responsável com formação técnica. Os serviços são avaliados constantemente, funcionando com o apoio para as equipes, corrigindo eventuais desvios de processo.
INFRAESTRUTURA
Nossa linha de produção SMD/SMT está equipada com: Solder Paste Printer, Pick & Place, Reflow Oven, Rework Station e demais periféricos. Para montagem e placas com componentes PTH/THT e cabos estamos equipados com: Préformadora de Componentes, Préformadora de CI´s, Maquina de Corte e decape de fios automatica, estação de solda e dessoldagem, cadinho de solda(fios), cadinho de solda(placas PTH) e demais periféricos.PRAZO DE LIBERAÇÃO
A liberação dos produtos montados ocorre de acordo com o combinado, sempre contados a partir do recebimento de seu pedido e dos materiais aplicados no processo.Mantemos o cliente sempre informado sobre o status do produto em processo.
É fundamental a leitura de todas as informações disponíveis no orçamento como: formas de envio, formas de pagamento e prazos de entrega.
VALORES
- - Parceria
- - Inovação
- - Motivação
- - Reconhecimento e Confiança
- - Transparência e Competência






